Product information
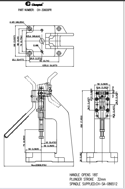
CH-30600-PR toggle clamp, originating from Taiwan, is a quick-release clamp with a horizontally moving clamping head. It is used in automated machinery systems, jigs, and production workshops, saving labor and increasing work efficiency.

CH toggle clamp specifications:
– Model: CH-30600-PR
– Product Information:
+ PDF drawing download here
+ CAD dwg
+ File step 3D
Applications of CH locating clamps in industrial manufacturing:
– Used in assembly on trucks, motorcycle and bicycle workshops, and in the production of electronic components.
– Used in workshops for clamping and assembling molds.
– Used in workshops for manufacturing wood clamps and changing the clamping direction of products.
– Used in CNC machining workshops for metal cutting.

