Thông tin sản phẩm
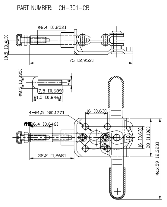
Kẹp định vị CH-301-CR xuất xứ Đài Loan, là dạng kẹp nhanh với đầu kẹp di chuyển tịnh tiến dạng đẩy ngang, được sử dụng trong hệ thống máy móc tự động hóa, jig đồ gá, xưởng sản xuất, tiết kiệm nhân công và mang lại hiệu suất lao động cao.

Thông số kỹ thuật kẹp định vị CH:
– Model: CH-301-CR
– Dữ liệu sản phẩm:
+ Bản vẽ PDF dowload tại đây
+ Bản vẽ CAD dwg
+ File step 3D
Ứng dụng kẹp định vị CH trong công nghiệp sản xuất:
– Sử dụng lắp ráp trong trên ô tô tải, các xưởng sản xuất xe máy, xe đạp, gia công sản xuất bản mảnh điện tử.
– Sử dụng trong xưởng gá kẹp gia công lắp ráp khuôn mẫu.
– Trong xưởng sản xuất các sản phẩm kẹp gỗ, chuyển đổi hướng kẹp sản phẩm.
– Trong xưởng gia công CNC, cắt gọt kim loại.

