Thông tin sản phẩm
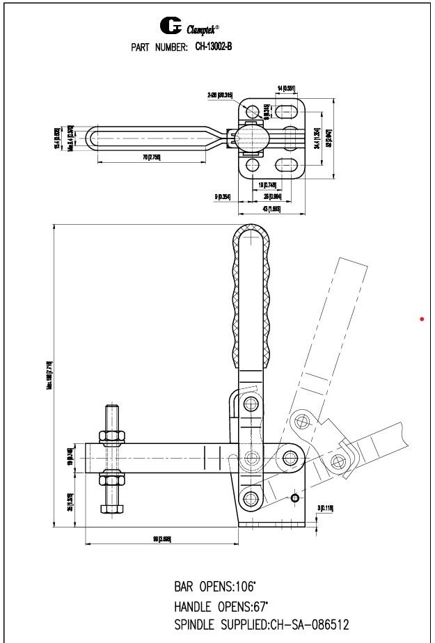
Kẹp định vị CH-13002B xuất xứ Đài Loan, là dạng kẹp nhanh với mỏ kẹp thẳng đứng, được sử dụng trong hệ thống máy móc jig đồ gá, xưởng sản xuất.

Thông số kỹ thuật kẹp định vị CH:
– Model: CH-13002-B
– Dữ liệu sản phẩm:
+ Bản vẽ PDF dowload tại đây
+ Bản vẽ CAD dwg
+ File step 3D
Ứng dụng kẹp định vị CH trong công nghiệp sản xuất:
– Sử dụng lắp ráp trong trên ô tô tải, các xưởng sản xuất xe máy, xe đạp, gia công sản xuất bản mảnh điện tử.
– Sử dụng trong xưởng gá kẹp gia công lắp ráp khuôn mẫu.
– Trong xưởng sản xuất các sản phẩm kẹp gỗ, chuyển đổi hướng kẹp sản phẩm.
– Trong xưởng gia công CNC, cắt gọt kim loại.

